BASE R 100mm + COPERCHIO PER DTS-LED 30 | 3473100305 | DTS-LED30, max. 5 Settori: 5 Moduli, 12-24 Vdc, 175~225 / 400 mA ( con 5 moduli)

Torrette di Segnalazione LED

Multisettore, componibile

BASE R 100mm + COPERCHIO PER DTS-LED 30

Codice: 3473100305

Descrizione

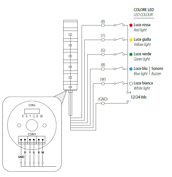
Torrette di segnalazione a LED Ø 30, 50 e 70 mm.

Alimentazione 12-24 VDC.

Temperatura operativa: -25°C...+50°C.

Sistema modulare, componibile fino a 5 moduli.

Elevato grado di protezione IP65 (tranne i sistemi di montaggio L e T che soddisfano lo standard IP54).

Luce fissa (intermittente con selettore).

Elevata luminosità fino a 18 LED per modulo.

Frequenza dell’allarme 60~80 al min.

Volume modulo sonoro standard 80 dB ad 1 m, versione ad alta intensità 110 dB ad 1 m.

Supporti in PC, lenti in ABS, staffe in alluminio.

Elevata resistenza agli agenti aggressivi.

Conforme alla direttiva RoHS e alle norme EN 60073, EN 60947.

Caratteristiche

Tensione d'ingresso: ÷

Tensione d'uscita:

Corrente d'uscita:

Potenza d'uscita:

Tipo di montaggio: Staffa reclinabile, Montaggio su parete verticale, Montaggio su parete orizzontale

Tipo di collegamento: Morsetti a Vite

Tensione nominale: 12-24 Vdc

Corrente nominale: 175~225 / 400 mA ( con 5 moduli)

Corrente di fuga:

Tipo di montaggio: Staffa reclinabile, Montaggio su parete verticale, Montaggio su parete orizzontale

Tipo di collegamento: Morsetti a Vite

Tensione nominale: 12-24 Vdc

Circuito antidisturbo:

Tipo di montaggio: Staffa reclinabile, Montaggio su parete verticale, Montaggio su parete orizzontale

Tipo di collegamento: Morsetti a Vite

Tensione nominale: 12-24 Vdc

Flusso luminoso:

Fascio luminoso:

Luce:

CCT:

Tensione nominale: 12-24 Vdc

Corrente nominale: 175~225 / 400 mA ( con 5 moduli)

N. di settori: max. 5

Colori LED: 5 Moduli

Buzzer: No

Tipo di collegamento: Morsetti a Vite

Tipo di montaggio: Staffa reclinabile, Montaggio su parete verticale, Montaggio su parete orizzontale

Tensione nominale: 12-24 Vdc

Velocità:

Tipo di montaggio: Staffa reclinabile, Montaggio su parete verticale, Montaggio su parete orizzontale

Tipo di collegamento: Morsetti a Vite

Dimensioni (mm): 100 mm

Peso (g):

Certificazioni:
ce, rohs, ip65
Pagina catalogoScheda tecnicaRichiedi CAD